






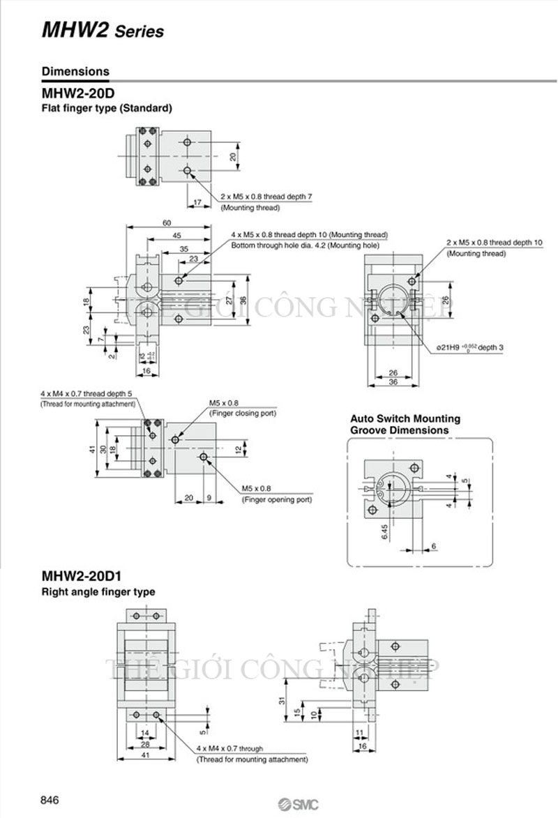
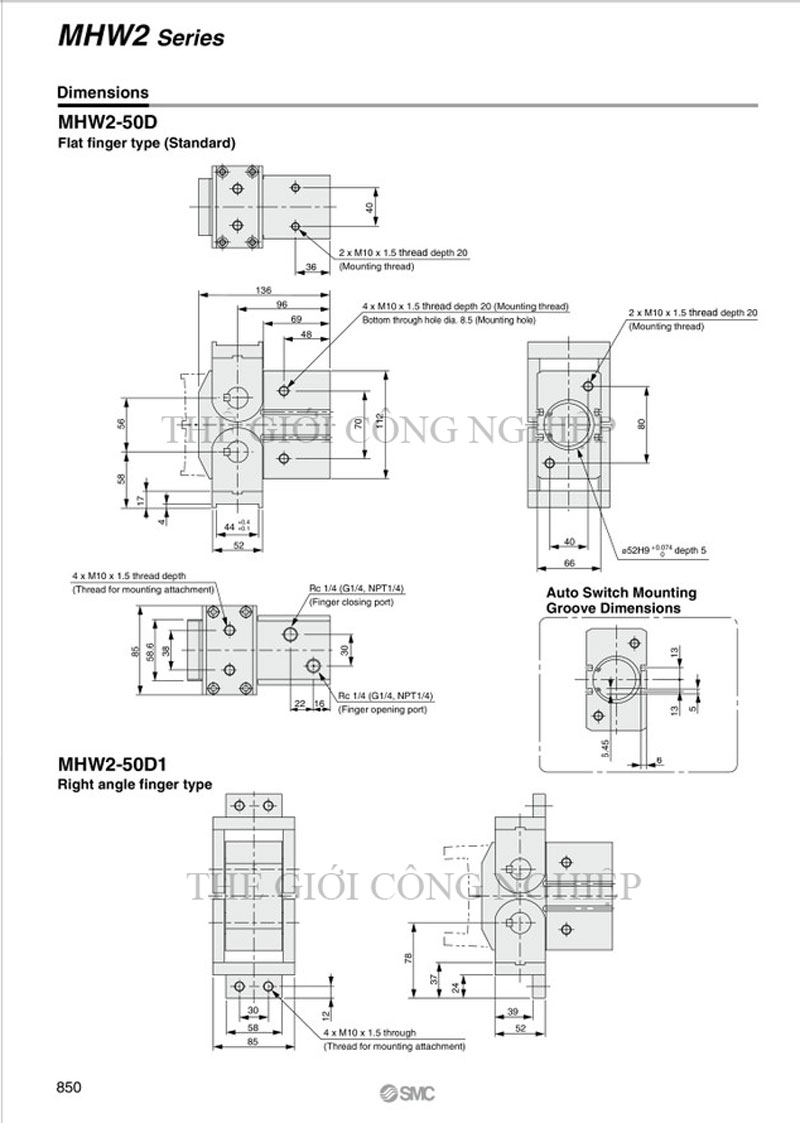
Xy Lanh Kẹp Khí SMC MHW2-20D / 25D / 32D / 40D / 50D-D1
(Kiểu bánh răng – mở 180° – thiết kế mỏng – kẹp hai ngón)
Cấu tạo:
Xy lanh kẹp khí dòng MHW2-D1 của SMC là loại kẹp hai ngón vận hành bằng khí nén, sử dụng cơ cấu truyền động bánh răng đồng bộ cho phép hai ngón kẹp mở ra tối đa 180°, giúp tăng không gian thao tác và dễ gắp chi tiết có hình dạng phức tạp. Toàn bộ cụm kẹp được thiết kế dạng mỏng (flat body), giúp tiết kiệm không gian lắp đặt và phù hợp với máy móc tự động hóa có cấu trúc nhỏ gọn.
Chất liệu:
– Thân xy lanh làm bằng hợp kim nhôm nhẹ, được anod hóa chống oxy hóa và mài mòn.
– Cơ cấu truyền động sử dụng bánh răng thép tôi cứng, vận hành trơn tru, đồng bộ giữa hai ngón kẹp.
– Ngón kẹp bằng thép hoặc hợp kim, có thể thay đổi hoặc tùy chỉnh theo yêu cầu gá lắp.
– Gioăng phớt làm từ vật liệu chịu mài mòn cao (NBR, FKM), đảm bảo độ kín và độ bền.
Ứng dụng:
Xy lanh kẹp MHW2-D1 được sử dụng rộng rãi trong hệ thống tự động hóa công nghiệp, dây chuyền lắp ráp, robot gắp linh kiện, máy đóng gói, máy dán tem, băng chuyền, và các vị trí cần kẹp/thả vật nhanh, chính xác. Góc mở lớn đến 180° giúp tăng tốc độ thao tác, giảm nguy cơ va chạm trong không gian hẹp.
Mô tả chi tiết:
– Mã sản phẩm: MHW2-20D / 25D / 32D / 40D / 50D-D1.
– Kiểu hoạt động: khí nén tác động kép.
– Số ngón kẹp: 2 (kiểu bánh răng truyền động đồng bộ).
– Góc mở: 180 độ.
– Hành trình kẹp: tùy theo mã (từ 10mm đến 40mm).
– Áp suất làm việc: 0.1 – 0.7 MPa.
– Nhiệt độ môi trường: 0 – 60°C (không đóng băng).
– Lắp đặt: có thể gắn từ phía sau hoặc phía dưới.
– Tùy chọn cảm biến: có khe gắn cảm biến từ (Auto Switch).
– Xuất xứ: SMC – Nhật Bản.
Ưu điểm:
– Thiết kế mỏng, tiết kiệm không gian, dễ tích hợp lên hệ thống máy.
– Góc mở lớn 180°, phù hợp cho thao tác kẹp các chi tiết có đường kính lớn hoặc khó tiếp cận.
– Hoạt động ổn định, tốc độ nhanh, độ chính xác cao.
– Dễ lắp đặt, bảo trì và thay thế.
– Tuổi thọ cao, tiết kiệm chi phí vận hành lâu dài.