Mô tả chi tiết
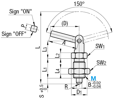
Sản phẩm Chốt Pit Tông Có Tay Gạt Chuyển Đổi PXSR/PMXSR là cơ cấu chốt định vị dạng pit tông kết hợp tay gạt, cho phép thao tác chuyển đổi (khóa / nhả) nhanh chóng và chính xác trong các ứng dụng máy móc, khuôn ép hoặc thiết bị công nghiệp.
-
Cấu tạo
-
Thân chốt dạng pit tông với phần trụ chính chịu tải định vị.
-
Tay gạt gắn liền hoặc kết nối với thân chốt, dùng để thao tác chuyển đổi vị trí chốt (chốt vào – chốt ra).
-
Lò xo hồi hoặc cơ cấu giữ vị trí giúp chốt không bị rơi ra ngoài khi không thao tác.
-
Đầu chốt tiếp xúc hoặc định vị với chi tiết cần khóa, có thể là đầu bi, đầu phẳng hoặc đầu ren tùy model.
-
Cơ cấu chuyển đổi hoạt động nhờ tay gạt giúp chốt dịch chuyển ra/vào hoặc xoay để mở/khóa, đảm bảo thao tác nhanh và an toàn.
-
-
Chất liệu & gia công
-
Vật liệu thân thường là thép hợp kim hoặc inox (thép không gỉ) để chịu lực và chống ăn mòn.
-
Bề mặt được gia công mài, mạ hoặc xử lý chống rỉ nhằm tăng độ bền và độ hoàn thiện.
-
Sản xuất theo tiêu chuẩn tương đương các hãng cơ khí chính xác quốc tế, đảm bảo độ đồng nhất cao.
-
-
Thông số kỹ thuật tiêu biểu
-
Kích thước: đường kính thân chốt, hành trình chốt (khoảng dịch chuyển), chiều dài tổng thể, kích thước tay gạt.
-
Lực khóa hoặc định vị: khả năng chịu tải tĩnh và động cao, tùy model.
-
Nhiệt độ làm việc: phù hợp với môi trường công nghiệp thông thường (tới khoảng 80–120 °C).
-
Ứng dụng: dùng trong máy ép nhựa, khuôn dập, thiết bị tự động hoặc hệ thống thay đổi nhanh.
-
Xuất xứ: Trung Quốc, bảo hành thông thường 6 tháng.
-
-
Ứng dụng
-
Định vị và cố định chi tiết trong khuôn ép, khuôn dập kim loại, máy gia công tự động.
-
Dùng trong các cơ cấu chuyển đổi nhanh (quick-change) khi cần tháo lắp chi tiết thay thế.
-
Phù hợp cho hệ thống tự động hoá, nơi cần thao tác khóa/nhả nhanh mà không cần dụng cụ.
-
Thích hợp cho môi trường yêu cầu độ chính xác cao, thao tác lặp lại nhiều lần, an toàn cao.
-
-
Ưu điểm nổi bật
-
Thiết kế tay gạt giúp thao tác nhanh, đơn giản, tiết kiệm thời gian.
-
Thân pit tông cho độ chính xác cao, khả năng chịu tải tốt.
-
Vật liệu inox hoặc thép hợp kim tăng tuổi thọ, chống ăn mòn và mài mòn.
-
Tiêu chuẩn sản xuất đồng nhất, dễ thay thế hoặc tích hợp vào hệ thống hiện có.
-
Bảo dưỡng dễ dàng, tuổi thọ dài, hoạt động ổn định.
-
-
Lưu ý khi sử dụng & bảo dưỡng
-
Kiểm tra định kỳ tay gạt và phần chốt trượt để đảm bảo hoạt động trơn tru.
-
Bôi trơn nhẹ phần trượt nếu làm việc trong môi trường ẩm hoặc bụi bẩn.
-
Khi thao tác, cần đảm bảo chốt đã ở vị trí đúng trước khi vận hành máy.
-
Lựa chọn kích thước và hành trình phù hợp với chi tiết để đảm bảo hiệu quả định vị.
-

