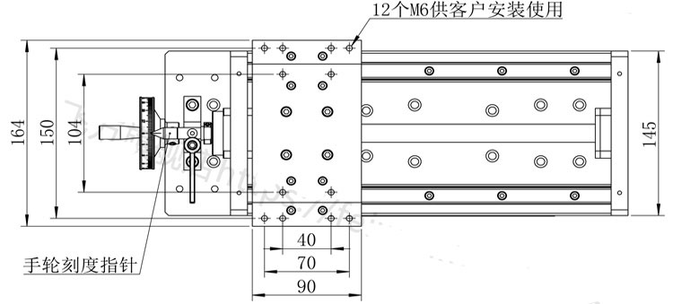
Model: Bộ Bàn Trượt Vít Me Ray Dẫn Hướng KR150
Chất liệu: 6061 bằng nhôm
Chiều rộng đế: 145 MM
Vít dẫn hướng tuyến tính: 1605 hoặc 1610
Tải trọng: Ngang <100KG, Dọc <50KG
Độ chính xác định vị lặp lại: 0,03MM - 0,05MM
Lựa chọn kiểu dáng: Kiểu bằng tay, kiểu điện
Phụ kiện tích hợp: tay quay laser, Khóa thiết bị, động cơ vòng kín bước servo, thước đo điện tử ..v..v..


