THÔNG SỐ KỸ THUẬT VÒNG BI SKF 6006, 6007, 6008, 6009, 6010-2Z/2RS

THÔNG SỐ CHI TIẾT VÒNG BI SKF 6006, 6007, 6008, 6009, 6010-2Z/2RS

KÝ HIỆU VÒNG BI SKF 6006, 6007, 6008, 6009, 6010-2Z/2RS
- Đuôi 2Z: có sẵn mỡ bôi trơn bên trong và sử dụng 2 nắp chắn mỡ bằng sắt ( Nắp chặn Z lắp ở cả hai bên ổ lăn)
- Đuôi 2RS: Phớt tiếp xúc RS trên cả hai mặt của Vòng bi

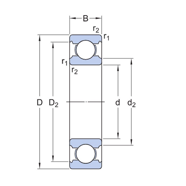
CẤU TẠO VÒNG BI SKF
Vòng bi cầu SKF có nhiều model cấu tạo khác nhau để phù hợp với nhiều nhu cầu sử dụng của khách hàng, cấu tạo khác nhau nhằm đáp ứng tối đa công năng sử dụng cũng như giảm thiểu chi phí cho từng nhu cầu sử dụng của thiết bị.
