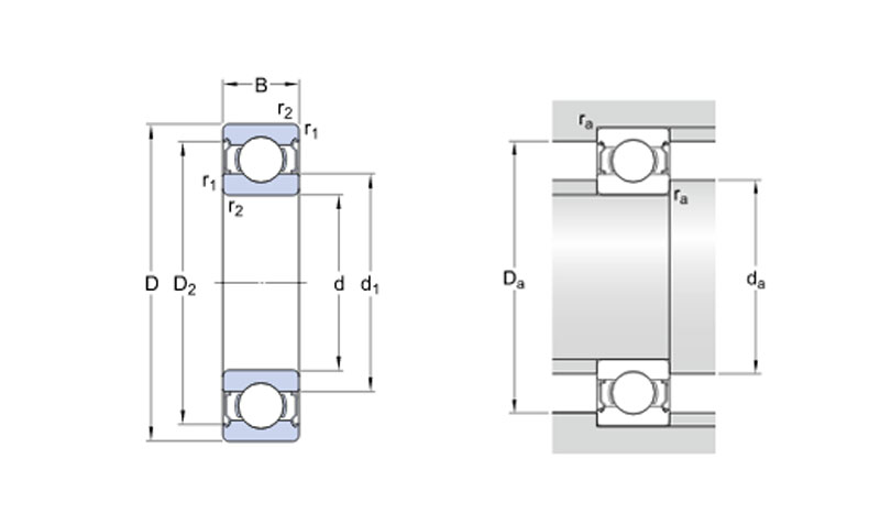
Thông Số vòng bi SKF 6411-2Z, 6411-2Z/C3, 6411-2RS, 6411-2RS/C3





SAO VIỆT - Chuyên cung cấp các loại vong bi / gối đỡ NTN, NSK, KOYO, NACHI, SKF, IKO... chính hãng , uy tin chất lượng giá cả cạnh tranh
- Cảm ơn sự quan tâm của quý khách , rất mong được phục vụ quý khách hang
-HOTLINE : 0962116853 / 0947987668