





Van Điện Từ Thủy Lực DBW
Cấu tạo:
Van DBW là loại van tràn điều khiển áp suất gián tiếp, gồm ba phần chính: thân van chính chứa piston và lò xo, van pilot điều chỉnh áp suất thông qua vít chỉnh và lò xo, và cuộn điện từ điều khiển việc đóng mở van pilot. Khi cuộn điện được kích hoạt, van pilot mở ra, cho phép dầu xả về thùng, từ đó giảm áp trong hệ thống.
Chất liệu:
Thân van được làm từ thép hợp kim có độ bền cao, được gia công chính xác để chịu được áp suất lớn. Cuộn điện từ được bọc kín chống bụi, ẩm và có khả năng chống chịu tốt trong môi trường làm việc khắc nghiệt. Các chi tiết bên trong có khả năng chống mài mòn và chống rò rỉ tốt.
Ứng dụng:
Van DBW được sử dụng trong các hệ thống yêu cầu kiểm soát áp suất chính xác và có khả năng xả áp nhanh khi cần thiết, như: máy ép thủy lực, máy dập, bàn nâng, hệ thống nâng hạ, các thiết bị công nghiệp nặng, dây chuyền sản xuất tự động hóa, máy ép nhựa, máy đùn, v.v.
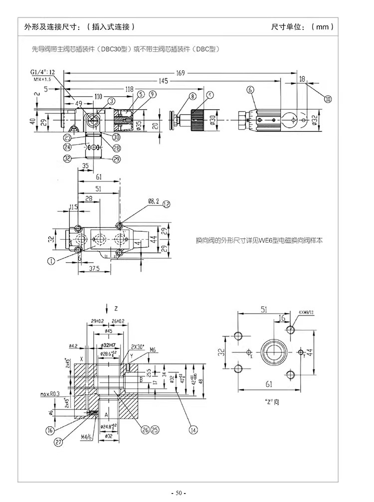
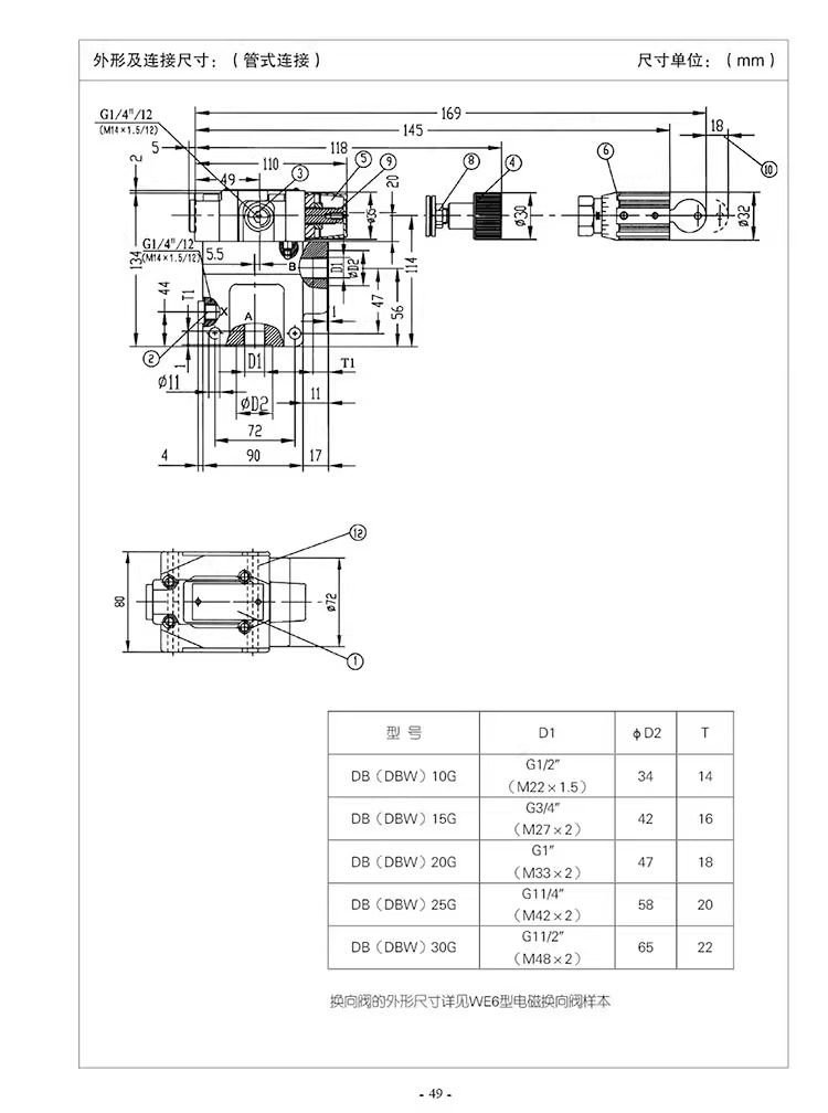
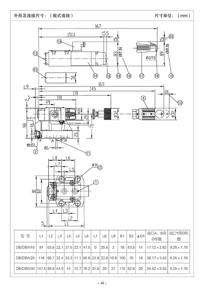
Mô tả chi tiết:
Van có các kích cỡ danh định phổ biến như DBW10, DBW20, DBW30. Áp suất làm việc tối đa lên đến 315 bar (31.5 MPa), lưu lượng lớn từ 60 L/min đến 650 L/min tùy theo kích thước. Cuộn điện từ sử dụng nguồn 12VDC, 24VDC, 110VDC hoặc 220VAC. Van thường được lắp kiểu mặt bích theo tiêu chuẩn ISO hoặc kiểu bắt ren tùy hệ thống.
Ưu điểm:
– Điều chỉnh áp suất chính xác, phản hồi nhanh.
– Tích hợp điện từ giúp kiểm soát dễ dàng, tiết kiệm thời gian thao tác.
– Độ bền cao, hoạt động ổn định trong thời gian dài.
– Dễ lắp đặt và bảo trì.
– Phù hợp nhiều loại hệ thống thủy lực khác nhau.