Thông Tin Sản Phẩm
Van điện từ điều hướng Yuci Yuken DSG-01 series là loại van được dùng rất phổ biến trên thị trường hiện nay.
Chức năng của loại van DSG-01 series đó là sử dụng năng lượng điện từ được tạo ra từ coil điện để định hướng dòng chảy của lưu chất một cách nhanh chóng và chính xác nhất.
Van DSG-01 series được Yuci Yuken thiết kế đơn giản hóa các chi tiết. Cấu tạo gồm thân van và coil điện. Mỗi hệ thống sẽ sử dụng điện áp khác nhau và có những yêu cầu riêng về công suất, lưu lượng hoặc áp nên khách hàng có thể tham khảo và lựa chọn đầy đủ các size DSG-01.
Thông Số Kỹ Thuật
+ Tên thiết bị: Van điện từ điều hướng Yuci Yuken DSG-01 series
+ Hãng sản xuất: Yuci Yuken
+ Lưu chất: Dầu, nhớt
+ Kiểu van: Van điện từ
+ Số vị trí: 2, 3
+ Điện áp: AC 100, AC 120, AC 200, AC 240, DC 12, DC 24, DC 48
+ Lưu lượng tối đa: Với loại van điện từ DSG-01-2B2, DSG-01-3C là 40 L/min, các loại còn lại như DSG-01-3C, DSG-01-2D2, DSG-01-2B là 63 L/min.
+ Trọng lượng van: Tùy thuộc vào coil điện AC hay DC, R mà trọng lượng dao động từ 1.6 kg – 2.2 kg
Van điện từ điều hướng Yuci Yuken DSG-01 series được lắp trong rất nhiều hệ thống thủy lực có quy mô từ lớn tới nhỏ nhằm xác định hướng quay của động cơ hoặc hành trình làm việc của xi lanh trong các máy móc thủy lực: bộ nguồn, máy đột lỗ, máy đào, máy dập khuôn hoặc các thiết bị cơ giới nông nghiệp, máy móc khai khoáng, thiết bị công trường…

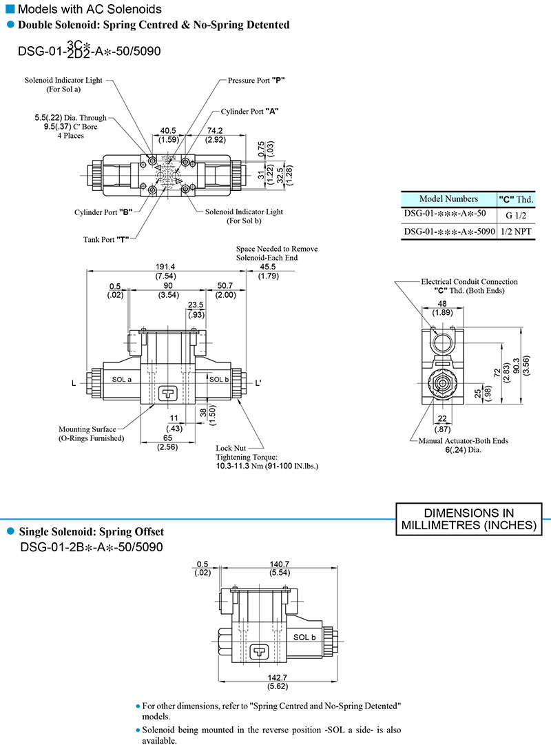
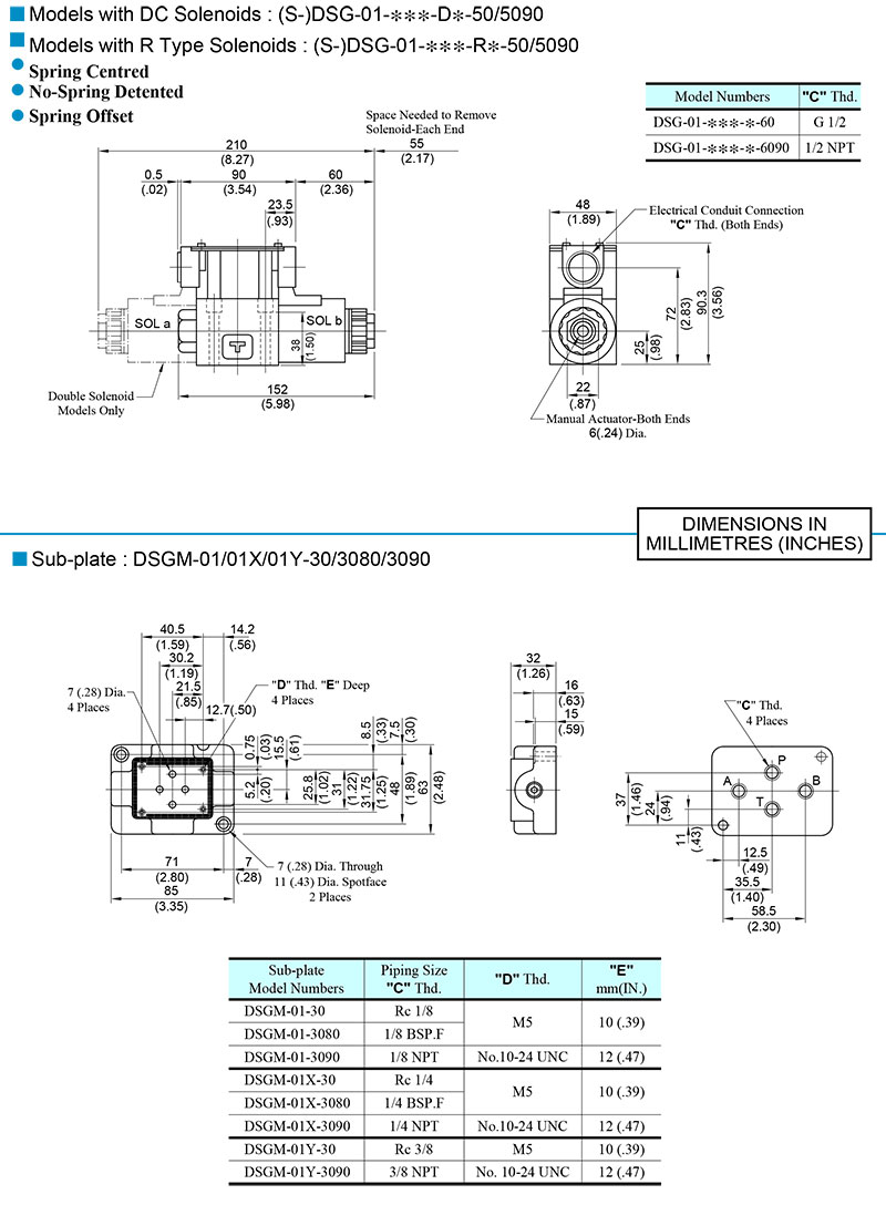
Kích Thước Van Điện Từ



Bảng Thông Số Lưu Lượng
