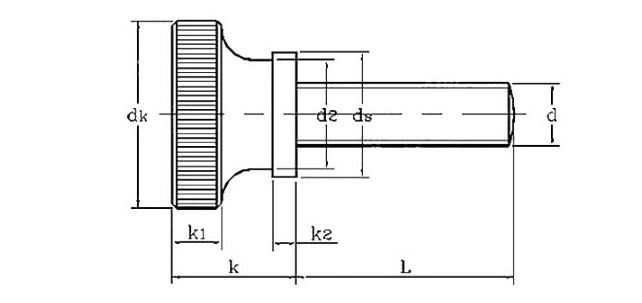
1. Cấu tạo:
Vít kiểu tay vặn là loại vít có tay cầm tích hợp, cho phép người dùng vặn – tháo dễ dàng bằng tay, không cần sử dụng cờ lê hoặc tua vít. Cấu tạo cơ bản gồm:
-
Phần đầu tay vặn:
-
Thiết kế theo nhiều dạng như hình nấm, hình sao, dạng đòn bẩy, hoặc chữ T.
-
Cho phép dễ cầm nắm và tạo lực xoay tốt khi thao tác bằng tay.
-
Một số mẫu có thêm gờ chống trượt, bề mặt nhám hoặc bọc nhựa cách nhiệt, cách điện.
-
-
Thân vít (ren ngoài):
-
Là phần có ren tiêu chuẩn hệ mét (M4, M5, M6, M8, M10...), dùng để siết chặt hoặc cố định chi tiết.
-
Có thể có phần trơn dẫn hướng tùy yêu cầu kỹ thuật.
-
2. Vật liệu chế tạo:
-
Toàn bộ vít hoặc lõi ren làm bằng Inox 304:
-
Chống gỉ tuyệt đối, thích hợp dùng trong môi trường ẩm, hóa chất, thực phẩm, dược phẩm và ngoài trời.
-
Độ cứng cao, chịu lực tốt, không bị biến dạng khi vặn nhiều lần.
-
-
Phần tay cầm (nếu là dạng tổ hợp):
-
Có thể là inox nguyên khối, hoặc nhựa kỹ thuật (PA, Bakelite...) gắn với lõi ren inox.
-
3. Nguyên lý hoạt động:
Vít được vặn trực tiếp bằng tay thông qua tay cầm tích hợp. Khi vặn, lực xoay tác động vào phần ren, làm vít tiến vào hoặc rút ra khỏi chi tiết gắn ren tương ứng, tạo nên lực siết hoặc giữ chắc các bộ phận.
Tay vặn giúp thao tác nhanh chóng, linh hoạt, đặc biệt trong các vị trí cần điều chỉnh hoặc tháo lắp thường xuyên.
4. Thông số kỹ thuật phổ biến:
-
Cỡ ren: M4, M5, M6, M8, M10, M12...
-
Chiều dài ren: 10mm – 60mm hoặc đặt theo yêu cầu.
-
Hình dáng tay vặn:
-
Hình tròn có rãnh bám tay
-
Hình sao 5 cạnh
-
Dạng cần gạt chữ T hoặc chữ L
-
5. Ứng dụng:
-
Dùng trong các thiết bị, máy móc cần tháo lắp hoặc điều chỉnh thường xuyên:
-
Máy công nghiệp, khuôn gá, bàn trượt, hệ thống gá kẹp
-
Tủ điện, kệ giá cơ khí, máy đóng gói, thiết bị y tế, thực phẩm
-
Ngành nội thất inox, điện tử, phòng sạch...
-
6. Ưu điểm:
-
Thao tác dễ dàng, không cần dụng cụ hỗ trợ
-
Chống ăn mòn tốt – sử dụng tốt trong môi trường khắc nghiệt
-
Tính thẩm mỹ cao, tái sử dụng lâu dài
-
Đa dạng kiểu dáng, phù hợp với nhiều loại máy và kết cấu khác nhau


