




Mô tả chi tiết Cảm Biến Áp Suất Chênh Lệch 3051 – Bộ Truyền Áp Suất Thông Minh HART
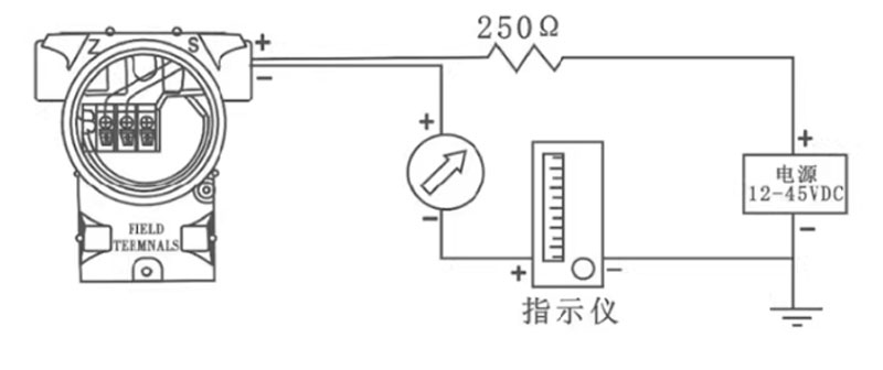
Cảm biến áp suất chênh lệch 3051 là thiết bị đo áp suất công nghiệp dùng để xác định độ chênh lệch áp suất giữa hai điểm trong hệ thống đường ống, bồn chứa hoặc thiết bị công nghệ. Thiết bị hoạt động theo nguyên lý cảm biến màng áp suất kết hợp bộ xử lý tín hiệu điện tử, cho phép chuyển đổi giá trị áp suất chênh lệch thành tín hiệu chuẩn công nghiệp 4–20mA kèm giao thức truyền thông HART, giúp dễ dàng tích hợp với PLC, DCS và các hệ thống điều khiển tự động.
Thiết bị sử dụng nguồn cấp DC 12–36V, hỗ trợ đo nhiều loại môi chất như khí, chất lỏng và hơi nước. Cấu trúc cảm biến có độ chính xác cao đạt 0.075%FS, tùy chọn 0.05%FS, cho khả năng đo ổn định trong các ứng dụng yêu cầu kiểm soát áp suất nghiêm ngặt. Dải đo rộng từ -100kPa đến 6MPa đáp ứng đa dạng nhu cầu đo chênh áp trong hệ thống lọc, bơm, quạt, nồi hơi, bồn áp lực và đường ống công nghiệp.
Cảm biến được thiết kế với cấp bảo vệ IP67, chống bụi và chống nước tốt, phù hợp lắp đặt trong môi trường công nghiệp có độ ẩm cao hoặc ngoài trời. Thân thiết bị chắc chắn, khả năng chống nhiễu tín hiệu tốt, độ ổn định lâu dài đạt ±0.1%FS trong 3 năm giúp giảm sai số trong quá trình vận hành liên tục.
Bộ truyền áp suất thông minh 3051 hỗ trợ giao thức HART cho phép hiệu chuẩn, giám sát và cấu hình từ xa thông qua bộ giao tiếp chuyên dụng, giúp thuận tiện trong bảo trì và quản lý hệ thống. Thiết bị được sử dụng rộng rãi trong ngành hóa chất, xử lý nước, nhiệt điện, dầu khí, thực phẩm, HVAC và nhiều dây chuyền tự động hóa công nghiệp cần đo áp suất chênh lệch chính xác cao.