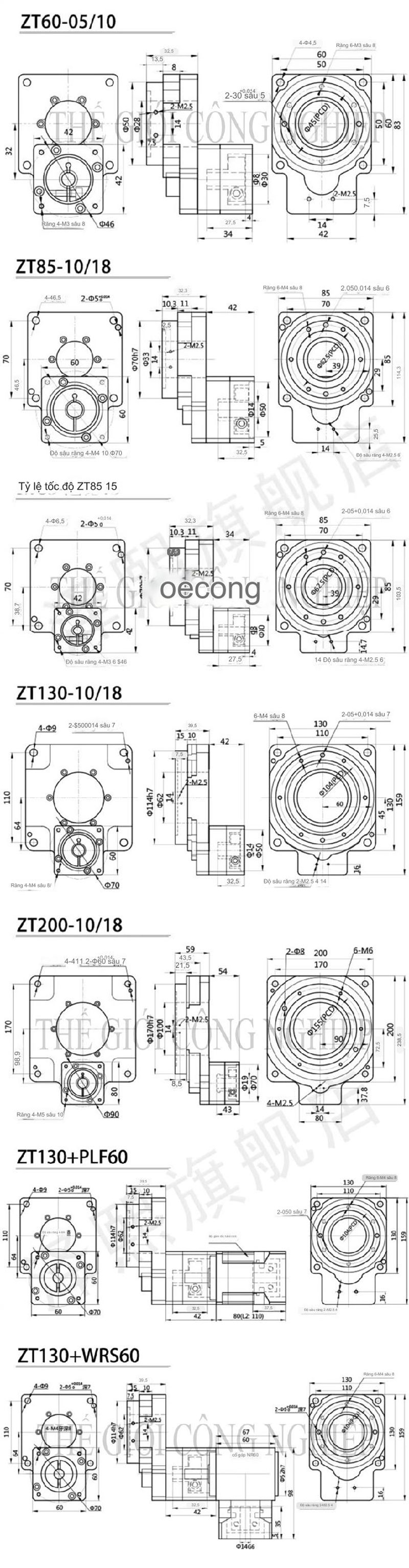
Vòng bi bàn xoay gắn động cơ servo điều chỉnh góc quay 360 độ ZT60 là một thiết bị tích hợp vòng bi bàn xoay và động cơ servo, cho phép quay quanh trục với độ chính xác cao. Thiết bị này thường được sử dụng trong các hệ thống tự động hóa công nghiệp, robot, máy CNC và các ứng dụng yêu cầu khả năng điều chỉnh góc quay chính xác trong phạm vi 360 độ.
Các đặc điểm chính của vòng bi ZT60:
-
Thiết kế nhỏ gọn và bền bỉ:
- Vòng bi ZT60 có kích thước nhỏ gọn, thích hợp cho những không gian lắp đặt hạn chế.
- Chất liệu chế tạo từ thép chịu lực cao, giúp đảm bảo độ bền và độ chính xác lâu dài.
-
Khả năng điều chỉnh góc quay 360 độ:
- Động cơ servo gắn trên vòng bi cho phép điều khiển chính xác góc quay lên đến 360 độ.
- Thích hợp cho các ứng dụng yêu cầu khả năng quay toàn bộ một vòng hoặc định vị góc với độ chính xác cao.
-
Độ chính xác cao:
- Với độ chính xác điều chỉnh góc ±0.01 độ, vòng bi ZT60 có khả năng đáp ứng các yêu cầu khắt khe trong điều khiển chuyển động.
- Độ ồn thấp và chuyển động mượt mà nhờ cơ chế giảm chấn và điều khiển servo tiên tiến.
-
Tỷ lệ giảm tốc (ratio):
- ZT60 thường có các tùy chọn tỷ lệ giảm tốc khác nhau như 5:1, 10:1, và 15:1, giúp tối ưu hóa lực quay và tốc độ theo yêu cầu cụ thể của ứng dụng.
-
Khả năng chịu tải:
- Vòng bi ZT60 có khả năng chịu tải tốt, chịu được cả tải trọng hướng trục và hướng kính, phù hợp với các hệ thống đòi hỏi hoạt động bền bỉ và liên tục.
-
Ứng dụng:
- Sử dụng trong các thiết bị tự động hóa, các cánh tay robot, máy đóng gói, các hệ thống điều khiển chuyển động chính xác, và các hệ thống máy móc cần điều khiển vị trí chính xác theo góc quay.
Tóm lại, vòng bi bàn xoay gắn động cơ servo ZT60 là một giải pháp hiệu quả cho các hệ thống yêu cầu khả năng điều khiển chính xác góc quay và hoạt động bền bỉ, giúp tối ưu hóa hiệu suất trong sản xuất công nghiệp.




