ỨNG DỤNG BULONG VÍT TAY VẶN INOX
Là loại Vít có khả năng chống ăn mòn rất tốt, Vít INOX 304 được ứng dụng trong rất nhiều ngành nghề:
– Trong dân dụng: Vít INOX 304 lắp đặt cho các công trình xây dựng ngoài trời, lắp đặt bồn nước ngoài trời, lắp đặt thiết bị y tế,…
– Trong công nghiệp: Vít INOX 304 được sử dụng rất nhiều trong ngành công nghiệp nặng và công nghiệp nhẹ.
+ Sử dụng trong công nghiệp nặng: công nghiệp đóng tàu, bồn chứa hóa chất, hệ thống đường ống dẫn dầu và khí ga công nghiệp,…
+ Sử dụng trong công nghiệp nhẹ: Vít INOX 304 sử dụng trong ngành công nghiệp chế biến thực phẩm, lắp đặt đường ống,…

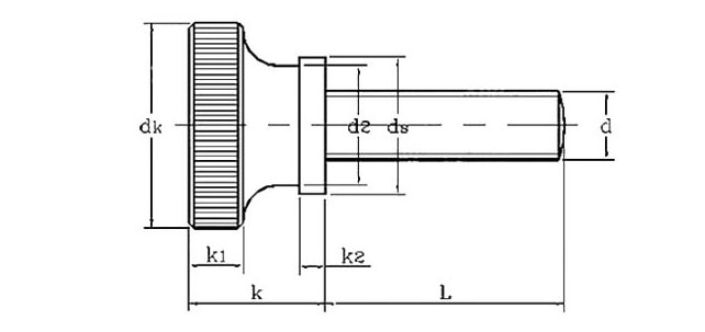
BẢNG THÔNG SỐ KỸ THUẬT VÍT TAY VẶN INOX


