







📌 Mô tả chi tiết — Thanh trượt con trượt trục kép SGR / SGB bản màu đen
Thanh trượt con trượt trục kép SGR / SGB (bản màu đen) là hệ thống dẫn hướng tuyến tính dạng rail và carriage (con trượt) được phủ lớp màu đen đặc biệt, dùng để tạo chuyển động thẳng với độ chính xác cao trong các ứng dụng cơ khí và tự động hóa. Các phiên bản màu đen thường có lớp phủ chống ăn mòn/oxit hóa giúp tăng độ bền, thẩm mỹ và khả năng làm việc trong môi trường khắc nghiệt.
⚙️ 1. Cấu tạo chi tiết
📌 Thanh trượt (Rail)
-
Chất liệu: Thép hợp kim chịu lực cao được mài chính xác.
-
Bề mặt phủ màu đen:
-
Anodizing đen (nếu nhôm) / Phủ sơn đen / Oxit hóa đen (nếu thép) tùy nhà sản xuất.
-
Tăng khả năng chống mài mòn, chống gỉ sét và nâng cao thẩm mỹ.
-
-
Rãnh dẫn: Gia công chuẩn xác, tương thích với con trượt SGR/SGB.
-
Lỗ lắp: Khoan sẵn theo khoảng đều nhau để bắt bulong cố định vào khung máy.
📌 Con trượt (Carriage / Slider)
-
Khối trượt bằng thép xử lý nhiệt: bền, chịu tải cao.
-
Hệ thống bi lăn/chuyển động lăn:
-
Bi/roller chất lượng cao, di chuyển trơn mượt trên rãnh rail.
-
Thiết kế tuần hoàn giữ bi không bị rơi ra ngoài.
-
-
Phủ bề mặt đen: đồng bộ với rail, tạo trải nghiệm thẩm mỹ và bảo vệ bề mặt.
-
Nhiều rãnh ren/điểm bắt vít: dễ gắn chi tiết cơ khí khác.
🧠 2. Nguyên lý hoạt động
Thanh trượt SGR/SGB thiết kế để tạo đường dẫn thẳng cho con trượt chuyển động dọc theo rail. Bằng hệ thống bi/chuyển động lăn bên trong slider, thiết bị hoạt động với:
✔ Ma sát thấp
✔ Chuyển động êm ái
✔ Độ chính xác cao
✔ Độ cứng lớn
Các lớp phủ đen trên thanh và con trượt không ảnh hưởng đến độ chính xác; ngược lại, tăng khả năng bền vững và chống oxi hóa, đặc biệt trong môi trường ẩm, bụi hoặc nơi dễ trầy xước.
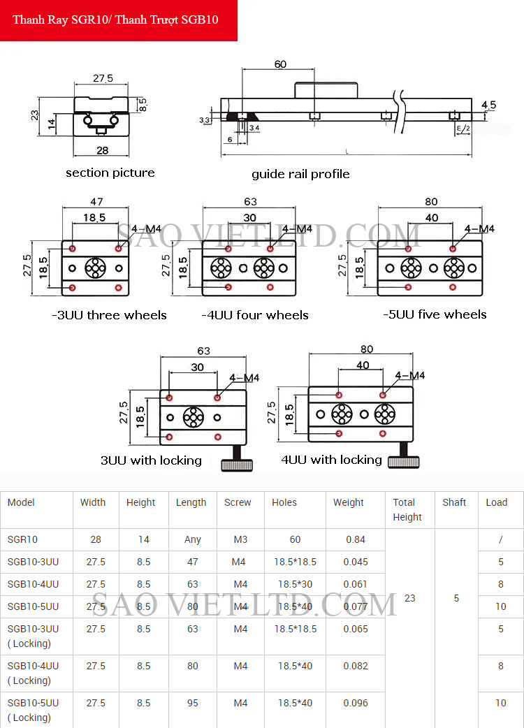
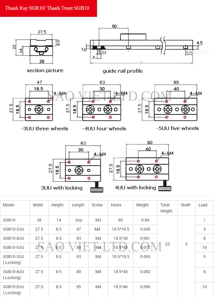
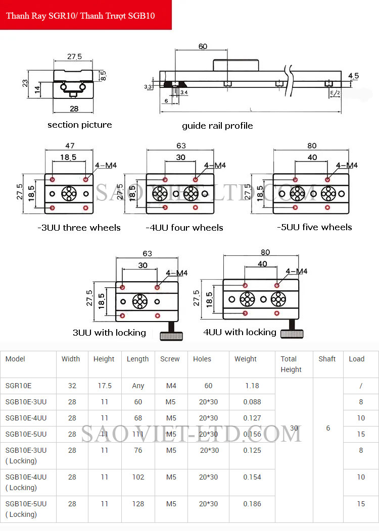
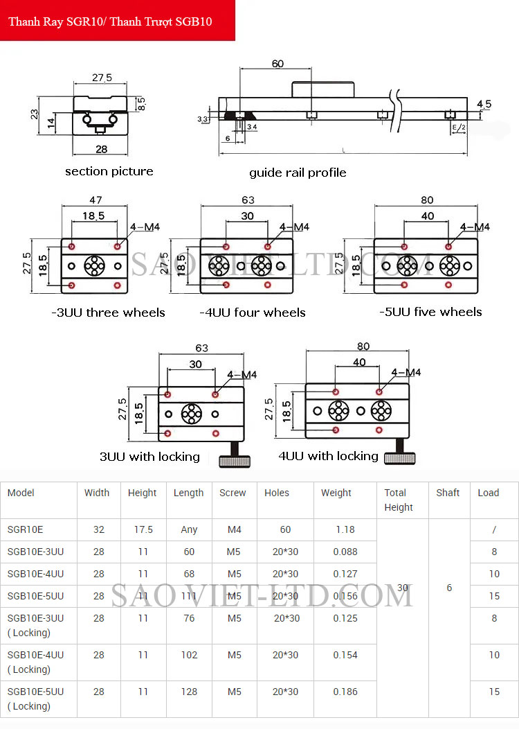
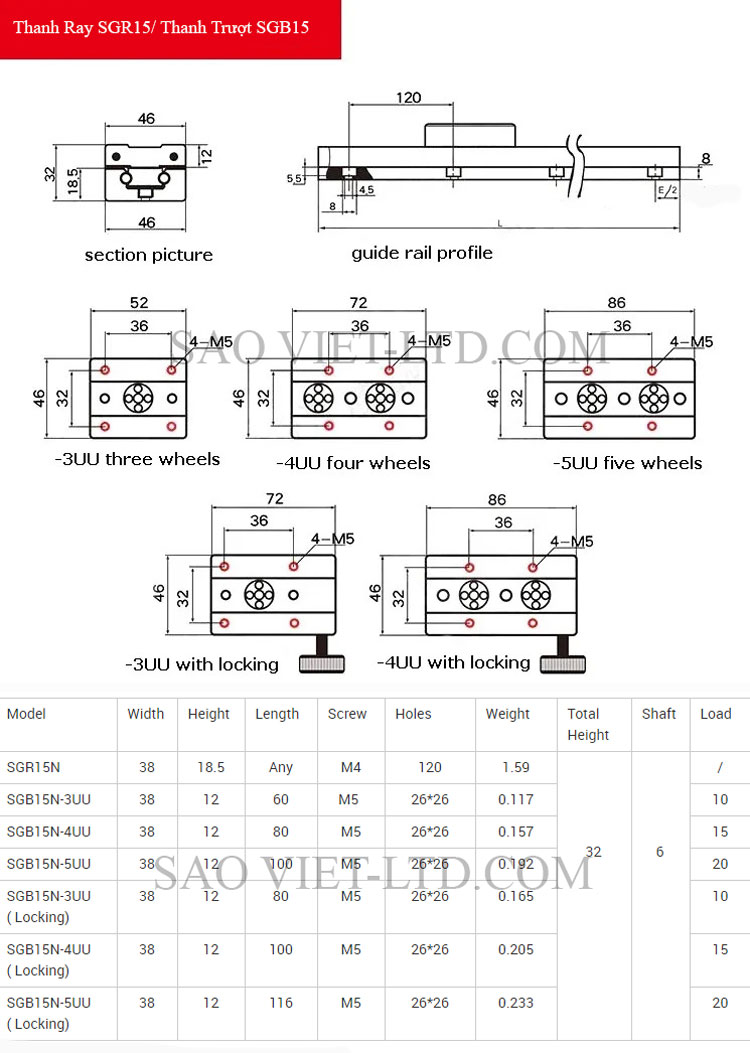
📏 3. Thông số kỹ thuật điển hình
| Thông số | Ý nghĩa |
|---|---|
| Loại rail | SGR / SGB (hai trục song song) |
| Chất liệu rail/con trượt | Thép hợp kim chịu lực |
| Bề mặt phủ | Màu đen chống gỉ/oxy hóa |
| Hệ thống bi lăn | Bi steel hoặc roller (tùy mã sản phẩm) |
| Chiều dài rail | Theo yêu cầu ứng dụng (có thể cắt theo kích thước) |
| Kích thước mã | Gồm SGR9, SGR12, SGR15, SGR20… (tùy nhu cầu) |
| Tải trọng làm việc | Tương ứng mã kích thước và bi/roller |
⭐ 4. Ưu điểm nổi bật
✔ Chống gỉ, chống ăn mòn tốt
Lớp phủ đen giúp bề mặt rail và con trượt chống oxi hóa, phù hợp môi trường hơi ẩm, bụi hoặc chứa chất ăn mòn nhẹ.
✔ Độ bền tăng
Lớp phủ bảo vệ bề mặt giúp giảm mài mòn lặp lại và trầy xước, gia tăng tuổi thọ hệ thống dẫn hướng.
✔ Hoạt động êm & chính xác
Cặp rail/con trượt với hệ bi lăn đảm bảo chuyển động tuyến tính mượt mà, sai số thấp.
✔ Chịu tải lớn
Tải trọng tăng theo mã kích thước; phù hợp cả ứng dụng trọng tải nhẹ đến trung bình.
📍 5. Ứng dụng thực tế
Thanh trượt con trượt trục kép bản màu đen SGR/SGB được dùng trong:
🔹 Máy CNC, máy phay chính xác
🔹 Bàn trượt, bàn nâng hạ tự động
🔹 Robot tự động, cơ cấu pick-and-place
🔹 Hệ thống băng tải, thiết bị đo kiểm
🔹 Máy in, máy đóng gói, máy gia công cơ khí
🔧 6. Hướng dẫn sử dụng & bảo trì
📌 Lắp đặt
-
Cố định rail chắc chắn vào khung máy bằng bulong chính xác.
-
Gắn con trượt đúng hướng để tránh lệch.
📌 Bảo trì định kỳ
-
Bôi trơn: dùng mỡ chuyên dụng cho linear guide để duy trì ma sát thấp.
-
Vệ sinh: lau sạch bụi bẩn, mảnh vụn trên rail.
-
Kiểm tra: theo dõi độ mòn bi và sự đồng phẳng của rail.