







📌 Mô tả chi tiết — Thanh trượt con trượt trục kép SGR / SGB
Thanh trượt con trượt trục kép SGR và SGB là hệ thống băng trượt (linear guide) dùng để dẫn hướng chuyển động thẳng, đảm bảo độ chính xác, độ cứng và độ bền cao trong các ứng dụng cơ khí công nghiệp. Sản phẩm gồm thanh trượt (rail) và con trượt (carriage/slider), được thiết kế tối ưu cho các hệ thống trượt song song, tải trọng lớn, giảm ma sát và hoạt động êm, chính xác.
🔩 1. Cấu tạo
📌 Thanh trượt — Rail
-
Là thanh thép dạng thẳng dài, được gia công mài chính xác bề mặt và rãnh dẫn.
-
Mặt tiếp xúc với bi/bola lăn theo đường cong đối xứng chuẩn, giúp chuyển động trơn mượt.
-
Thanh được khoan sẵn lỗ lắp đặt để bắt vào khung máy, bàn trượt, cơ cấu dẫn hướng.
-
Phần bề mặt được xử lý chrome / mạ cứng / phủ chống gỉ, tăng độ bền và chống oxy hóa.
📌 Con trượt — Slider / Carriage
-
Bộ phận di động chạy dọc trên thanh trượt bằng bi lăn (ball) hoặc con lăn (roller) bên trong.
-
Được bọc vỏ thép cứng, xử lý nhiệt để chịu tải lớn và vận hành ổn định.
-
Các rãnh bi hoặc lăn được thiết kế khép kín, giữ ma sát thấp và độ chính xác cao.
-
Con trượt thường có vòng bi tuần hoàn giúp bi/ con lăn tuần hoàn liên tục và không bị kẹt.
⚙️ 2. Nguyên lý hoạt động
Thanh trượt SGR / SGB tạo đường dẫn thẳng cho con trượt bằng hệ thống bi lăn/chuyển động lăn bên trong giữa rail và slider. Khi lực tác động dọc theo đường dẫn, con trượt sẽ:
-
Lăn nhẹ nhàng trên bề mặt rail
-
Giảm tối đa ma sát trượt so với trượt khô
-
Giữ độ chính xác cao, ổn định chuyển động thẳng
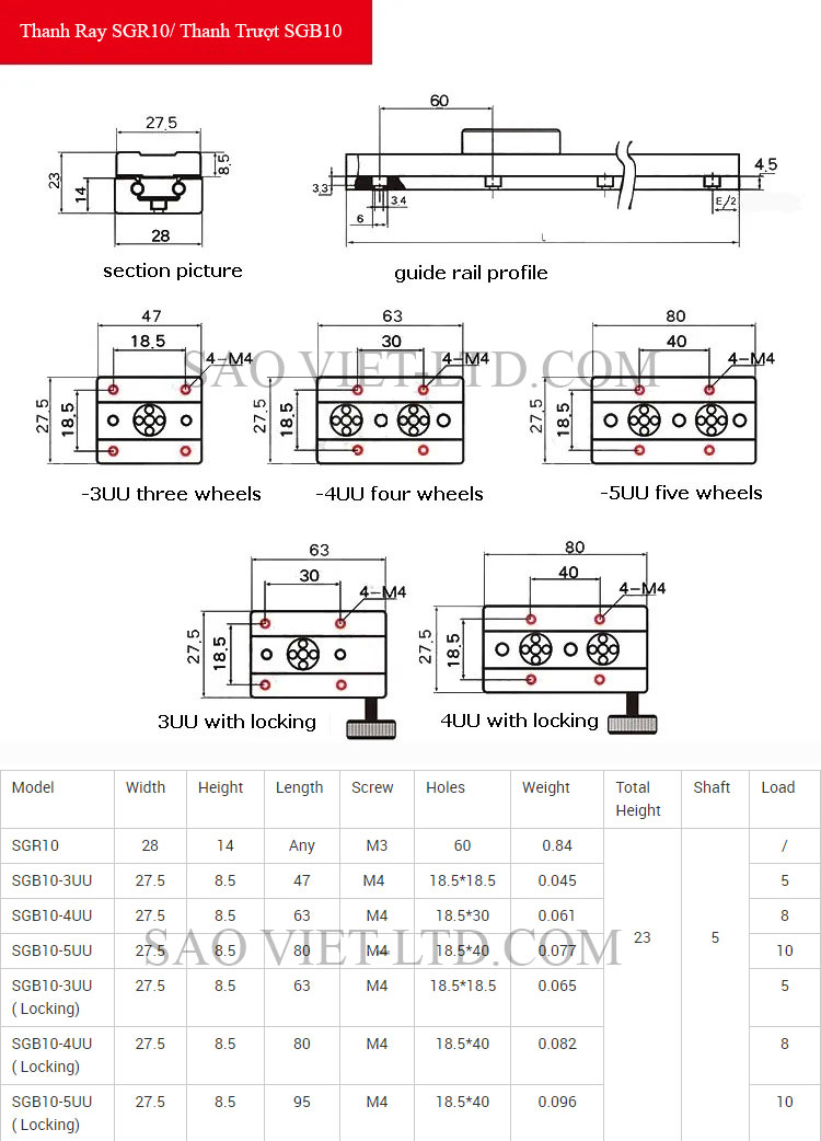
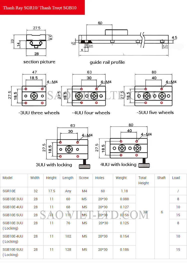
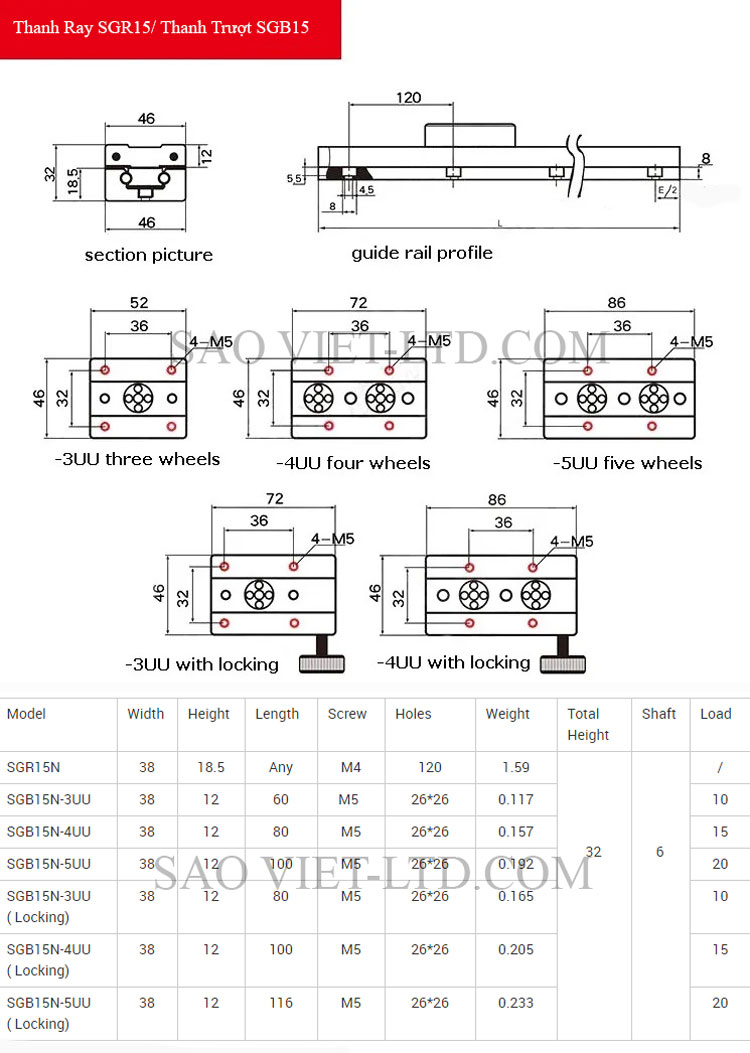
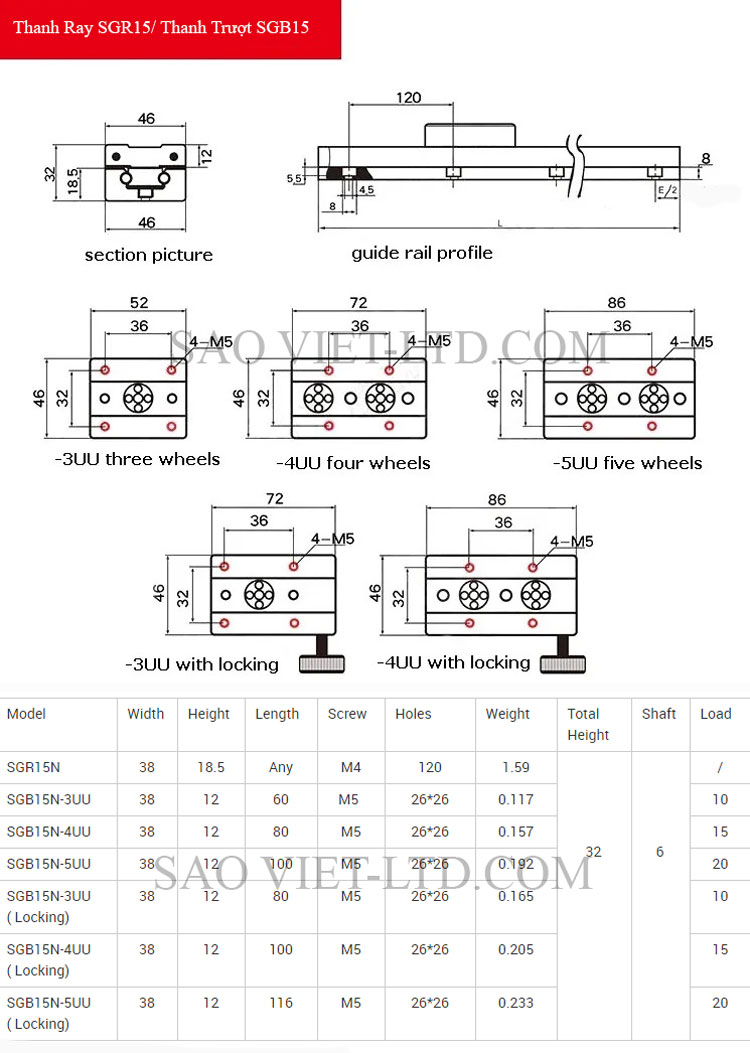
📏 3. Kích thước & chủng loại
Thanh trượt SGR / SGB thường được phân theo mã số kích thước như SGR9, SGR12, SGR15, SGR20, SGR25, SGR30, SGR35…
Các thông số chính:
-
Chiều rộng rail
-
Chiều cao rail
-
Đường kính con trượt
-
Chiều dài rail
-
Số lượng con trượt tương thích
Thông số này ảnh hưởng trực tiếp đến tải trọng, độ cứng và phạm vi di chuyển.
🛠️ 4. Tính năng kỹ thuật
✅ Độ chính xác cao
-
Gia công chuẩn theo các tiêu chuẩn dẫn hướng, đảm bảo độ lệch, độ song song chính xác.
-
Độ sai số thấp theo hành trình dài.
✅ Ma sát thấp & mượt
-
Bi/rollers chuyển động lăn giúp giảm ma sát so với trượt trượt thông thường.
-
Vận hành êm, giảm tiếng ồn và giảm mài mòn.
✅ Tải trọng lớn
-
Thiết kế chịu tải theo nhiều hướng: dọc trục, ngang và mô men.
-
Con trượt có thể chứa nhiều bi/roller chịu tải lớn hơn.
✅ Ổn định & bền
-
Xử lý bề mặt rail và vỏ con trượt tăng độ cứng, chống gỉ và mài mòn.
-
Phù hợp hoạt động liên tục trong môi trường công nghiệp.
📍 5. Ưu điểm nổi bật
| Ưu điểm | Ý nghĩa |
|---|---|
| Độ chính xác cao | Hành trình thẳng mượt, sai số thấp |
| Độ cứng lớn | Chịu tải nặng, không bị biến dạng |
| Giảm ma sát | Hoạt động trơn, giảm tiếng ồn |
| Lắp ráp dễ dàng | Khoan lỗ chuẩn, dễ gắn với khung máy |
| Bảo trì thấp | Bôi trơn định kỳ, tuổi thọ cao |
🧩 6. Ứng dụng thực tế
Thanh trượt con trượt SGR/SGB được dùng rộng rãi trong:
-
Máy CNC (phay, cắt, khoan, mài)
-
Máy in, băng chuyền tự động
-
Hệ thống robot, pick-and-place
-
Máy đo, thiết bị kiểm tra chính xác
-
Bàn trượt, bàn nâng, máy dập, ép
🛠️ 7. Bảo trì & sử dụng
Để đảm bảo tuổi thọ và hiệu suất:
-
Bôi trơn định kỳ bằng mỡ chuyên dụng cho linear guide.
-
Tránh bụi bẩn xâm nhập vào khe dẫn bi/roller.
-
Vệ sinh thanh trượt và con trượt đều đặn.
-
Kiểm tra độ chặt bulong sau một thời gian hoạt động.