



Mô tả chi tiết
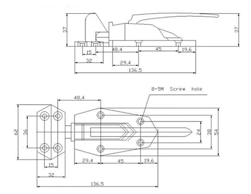
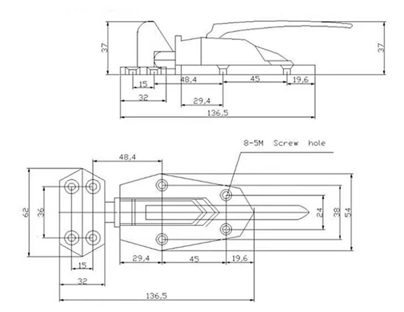
Tay nắm khóa cửa kho lạnh 1151 bản phẳng là phụ kiện khóa – tay nắm chuyên dụng cho các loại cửa công nghiệp yêu cầu độ kín và độ bền cao như cửa kho lạnh, kho đông, tủ hấp, lò sấy và các thiết bị điện – nhiệt. Thiết kế bản phẳng giúp lắp đặt dễ dàng trên bề mặt cửa phẳng hoặc cửa có lớp cách nhiệt dày, đồng thời tạo độ chắc chắn và ổn định khi sử dụng.
Cấu tạo
-
Làm từ hợp kim kẽm hoặc inox tùy phiên bản, chống gỉ tốt trong môi trường ẩm và lạnh.
-
Tay nắm kéo dạng dài, dễ thao tác, không trơn trượt.
-
Bản phẳng gồm 2 tấm gắn cố định vào cánh cửa và thân cửa.
-
Cơ cấu chốt khóa bên trong bằng thép cứng, chịu lực và hạn chế mài mòn.
-
Bề mặt được mạ niken/chrome hoặc xử lý chống oxy hóa.
-
Các lỗ bắt vít được bố trí chính xác, phù hợp nhiều loại cửa cách nhiệt.
Chất liệu
-
Hợp kim kẽm hoặc inox chống ăn mòn.
-
Chốt thép tôi chịu lực cao.
-
Phù hợp môi trường:
-
Âm sâu trong kho lạnh, kho đông.
-
Nhiệt độ cao trong tủ hấp, lò sấy, thiết bị điện nhiệt.
-
Ứng dụng
-
Cửa kho lạnh – kho đông – phòng giữ nhiệt.
-
Tủ hấp, lò sấy, buồng nhiệt trong ngành thực phẩm, dược phẩm.
-
Cửa thiết bị điện nhiệt công nghiệp.
-
Cửa kim loại hoặc cửa cách nhiệt cần độ kín và độ bền cao.
Mô tả hoạt động
-
Tay nắm chắc chắn, cho lực kéo tốt khi mở cửa nặng.
-
Chốt khóa hoạt động êm, giữ cửa khép kín, không bị hở gió.
-
Khả năng vận hành ổn định trong điều kiện lạnh – nóng liên tục, không kẹt tay nắm.
-
Thiết kế bản phẳng giúp tăng độ bám và phân bố lực đồng đều khi đóng mở.
Ưu điểm
-
Chống gỉ – chống ăn mòn – chịu lạnh – chịu nhiệt tốt.
-
Bền, chắc chắn, tuổi thọ cao trong môi trường công nghiệp khắc nghiệt.
-
Tay nắm dài dễ sử dụng, phù hợp cửa nặng.
-
Bản phẳng lắp đặt linh hoạt, tương thích nhiều loại cửa.
-
Đảm bảo độ kín và an toàn cho hệ thống cửa.