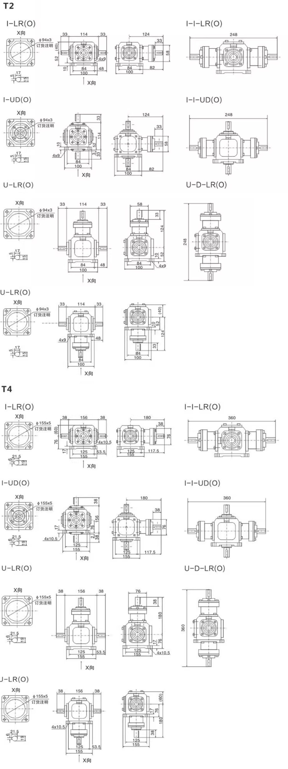
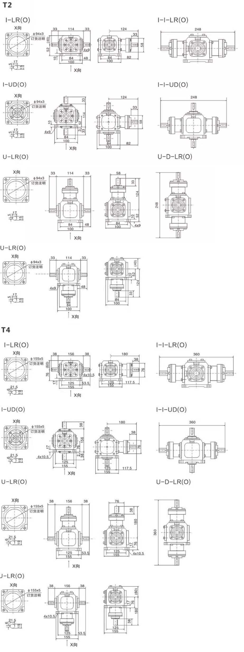
Hộp giảm tốc đổi hướng chữ T HD sử dụng bánh răng côn xoắn chính xác cao, cho phép truyền động vuông góc 90° với hiệu suất truyền lực lớn và độ ồn thấp. Thiết kế phù hợp cho hệ thống truyền động liên tục trong môi trường công nghiệp.
Thiết bị cho phép phân phối chuyển động sang nhiều trục đồng thời, tối ưu cho hệ thống cơ khí tự động hóa và băng tải đa hướng.
ĐẶC TÍNH KỸ THUẬT CHUNG
| Thuộc tính | Giá trị |
| Kiểu truyền động | Bánh răng côn xoắn |
| Góc truyền | 90° |
| Tỷ số truyền | 1:01 |
| Hiệu suất | ≥95% |
| Độ ồn | Thấp |
| Kiểu trục | Trục đặc then |
| Vật liệu bánh răng | Thép hợp kim tôi cứng |
| Vỏ hộp số | Hợp kim nhôm / gang |
| Bôi trơn | Mỡ công nghiệp |
| Nhiệt độ làm việc | -10°C ~ 80°C |
BẢNG CHỌN MODEL NHANH
| Model | Đường kính trục vào | Đường kính trục ra | Moment cho phép (Nm) | Công suất đề xuất | Tỷ số truyền |
| HD2 | 12mm | 12mm | 15 Nm | 0.1–0.2kW | 1:01 |
| HD4 | 15mm | 15mm | 35 Nm | 0.2–0.4kW | 1:01 |
| HD6 | 18mm | 18mm | 70 Nm | 0.4–0.75kW | 1:01 |
| HD8 | 22mm | 22mm | 120 Nm | 0.75–1.5kW | 1:01 |
| HD10 | 25mm | 25mm | 200 Nm | 1.5–2.2kW | 1:01 |
| HD12 | 30mm | 30mm | 350 Nm | 2.2–3.7kW | 1:01 |
| HD16 | 35mm | 35mm | 600 Nm | 3.7–5.5kW | 1:01 |
👉 Khách kỹ thuật chọn theo:
-
đường kính trục
-
tải moment
-
công suất motor



BẢNG THÔNG SỐ HƯỚNG VÀ CHIỀU CỦA HỘP SỐ

