


Mô tả chi tiết Đồng Hồ Áp Suất Điện Tiếp Điểm YNXC100ZT 40–60 MPa
1. Tổng quan
Đồng hồ áp suất điện tiếp điểm YNXC100ZT là thiết bị đo và điều khiển áp suất tích hợp, vừa hiển thị giá trị áp suất vừa phát tín hiệu điện khi áp suất đạt đến ngưỡng cài đặt. Sản phẩm chuyên dùng cho hệ thống áp suất cao (40–60 MPa) trong các hệ thống thủy lực, máy công nghiệp và dây chuyền tự động hóa.
2. Cấu tạo
Đồng hồ YNXC100ZT gồm các bộ phận chính:
-
Bộ phận đo áp suất: sử dụng ống Bourdon chịu áp cao, biến đổi áp suất thành chuyển động cơ học.
-
Cơ cấu truyền động kim: truyền chuyển động từ ống Bourdon lên kim chỉ thị, hiển thị trực quan giá trị áp suất.
-
Tiếp điểm điện điều chỉnh được: cho phép cài đặt ngưỡng đóng/ngắt mạch điện khi áp suất đạt giá trị xác định.
-
Vỏ bảo vệ: kết cấu kim loại chắc chắn, chống va đập, bảo vệ các chi tiết bên trong.
-
Mặt kính: trong suốt, dễ quan sát, chịu được rung động trong môi trường công nghiệp.
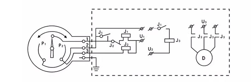
3. Nguyên lý hoạt động
-
Khi áp suất tăng, ống Bourdon biến dạng làm kim đồng hồ quay theo thang đo.
-
Khi kim đạt đến giá trị áp suất đã cài đặt, tiếp điểm điện đóng hoặc ngắt, phát tín hiệu điều khiển cho rơ-le, bơm, van hoặc hệ thống cảnh báo.
-
Khi áp suất giảm về ngưỡng cho phép, tiếp điểm trở lại trạng thái ban đầu, đảm bảo vận hành an toàn cho hệ thống.
4. Đặc điểm kỹ thuật nổi bật
-
Dải đo cao 40–60 MPa: phù hợp hệ thống thủy lực áp suất lớn.
-
Tích hợp tiếp điểm điện: vừa đo vừa điều khiển, giảm nhu cầu lắp thêm cảm biến.
-
Độ ổn định cao: kim hiển thị rõ ràng, phản hồi nhanh.
-
Tiếp điểm điều chỉnh linh hoạt: dễ dàng cài đặt ngưỡng áp suất theo yêu cầu sử dụng.
-
Kết cấu bền bỉ: hoạt động ổn định trong môi trường công nghiệp khắc nghiệt.
-
Lắp đặt thuận tiện: kết nối ren tiêu chuẩn, thay thế nhanh cho đồng hồ cơ thông thường.
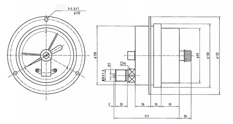
5. Thông số kỹ thuật tham khảo
-
Model: YNXC100ZT
-
Đường kính mặt đồng hồ: 100 mm
-
Dải đo áp suất: 40 – 60 MPa
-
Kiểu tiếp điểm: tiếp điểm điện cơ
-
Điện áp làm việc: 220 V / 380 V
-
Cấp chính xác: Class 1.6
-
Kiểu lắp: lắp ren (trục đứng hoặc trục ngang tùy cấu hình)
-
Ứng dụng môi trường: hệ thống thủy lực, máy công nghiệp áp suất cao
6. Ứng dụng
Đồng hồ áp suất điện tiếp điểm YNXC100ZT được sử dụng phổ biến trong:
-
Hệ thống thủy lực áp suất cao
-
Máy ép thủy lực, máy dập, máy công trình
-
Dây chuyền sản xuất tự động
-
Hệ thống giám sát và bảo vệ áp suất trong công nghiệp