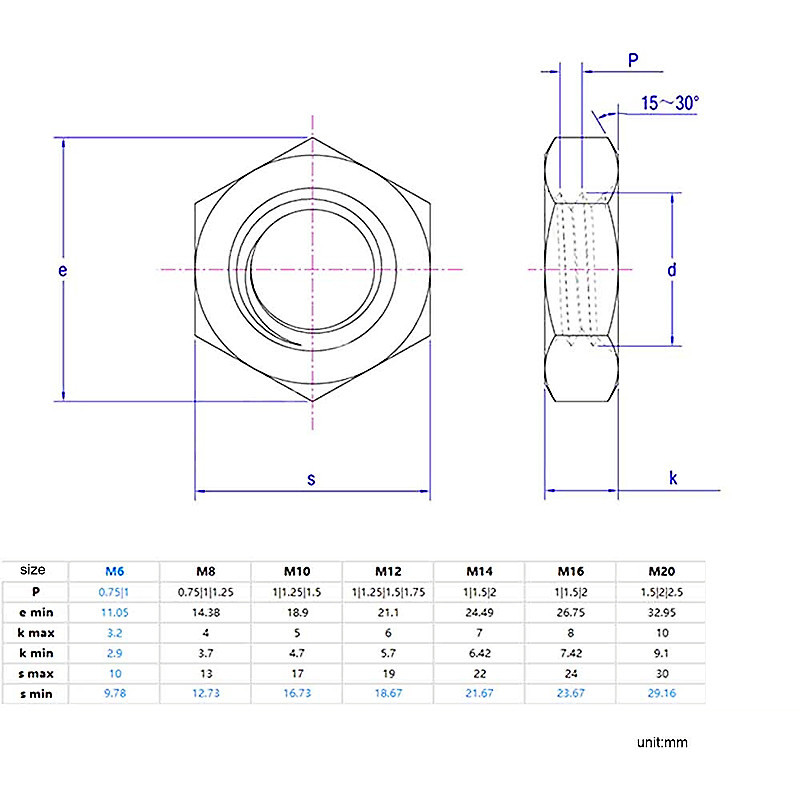
Bảng Thông Số Kỹ Thuật Đai Ốc Lục Giác Răng Mịn M6 M8 M10 M12 M14 M16 M20:

ĐẶC ĐIỂM INOX 304
Inox 304 là đại diện cho họ thép không gỉ Austenite với thành phần cơ bản chứa khoảng 18-20% Cr, 8-10.5% Ni và một số nguyên tố hóa học khác như C, Mn, Si, P, S, N…Do đó, inox này có khả năng chống ăn mòn rất cao và các ưu điểm vượt trội khác như: tính dẻo, tính hàn, tốc độ hóa bền rèn, khả năng hóa bền.
Khả năng chống ăn mòn:
Thành phần inox 304 có nguyên tố Cr, S, Ni giúp tăng khả năng chống ăn mòn, chống gỉ khi tiếp xúc với hóa chất ứng dụng trong ngành xây dựng, kiến trúc, công nghệ chế biến thực phẩm.
Ứng dụng chịu nhiệt:
Loại inox này thích ứng với nhiệt độ thấp do có hàm lượng Ni giúp tránh được các hiện tượng giòn lạnh. Bên cạnh đó còn thích ứng ở nhiệt độ cao, sử dụng tốt trong khoảng 425-860°C, khả năng chống gỉ sét không liên tục tới 870°C và liên tục đến 925°C, nhiệt luyện tầm 1010-1120°C, làm nguội nhanh chóng.
Tính dẻo:
Thuộc dòng thép không gỉ Austenite nên loại inox này có tính dẻo rất cao, giữ được độ dẻo ở nhiệt độ thấp, khả năng uốn, tạo hình, dễ dát mỏng và khi dát mỏng thì tiết kiệm được năng lượng, được sử dụng trong hầu hết lĩnh vực sản xuất các chi tiết.
Tính hàn:
Đối với tất cả các phương pháp, kỹ thuật hàn trên inox 304 đều được thực hiện rất tốt.
GIẤY CHỨNG NHẬN SẢN PHẨM VÍT LỤC GIÁC KÈM BỘ LONG ĐEN CHỐNG XOAY

BẢNG THÀNH PHẦN HÓA HỌC INOX
BẢNG TÍNH CHẤT CƠ LÝ INOX
| Tính chất cơ học | |||||||||||
| Thể loại | Nhóm | Mức hiệu suất | Đường kính trục vít | Độ bền kéo mpa / mm 2 | Độ giãn dài không xác định được chỉ định sẽ là mpa / mm 2 | Độ giãn dài sau khi phá vỡ mpa / mm 2 | |||||
| Austenit | A2, A4 | 50 | ≤ 39 | 500 | 210 | 0,6đ | |||||
| 70 | 24 | 700 | 450 | 0,4đ | |||||||
| 80 | 24 | 800 | 600 | 0,3đ | |||||||
NHỮNG CÂU HỎI THƯỜNG GẶP
1. Tại sao thép không gỉ có từ tính?
2. Làm thế nào để xác định sản phẩm thép không gỉ 304 đích thực?

