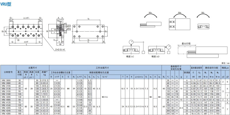
Bảng Thông Số Kỹ Thuật Bàn Trượt Dẫn Hướng Con Lăn Chéo VRU



Mô tả chi tiết Bàn Trượt Dẫn Hướng Con Lăn Chéo VRU
Bàn trượt dẫn hướng con lăn chéo VRU là thiết bị cơ khí chính xác được thiết kế để cung cấp chuyển động tuyến tính êm ái, ổn định và độ chính xác cực cao. Sản phẩm sử dụng hệ thống con lăn chữ thập chéo (cross roller) — các con lăn được bố trí vuông góc 90° xen kẽ nhau giữa hai rãnh dẫn hướng, giúp bàn trượt có khả năng chịu tải đa hướng, bao gồm tải trọng dọc, ngang và mô-men xoắn.
Thân bàn trượt VRU được chế tạo từ thép hợp kim hoặc nhôm cứng cáp, xử lý nhiệt và mài tinh để đảm bảo độ bền cơ học, độ phẳng bề mặt và khả năng chống mài mòn vượt trội. Cấu trúc này giúp sản phẩm duy trì độ chính xác chuyển động lâu dài, ngay cả trong điều kiện hoạt động liên tục hoặc môi trường công nghiệp có độ rung cao.
Bàn trượt VRU thường được sử dụng trong các hệ thống máy đo tọa độ, thiết bị quang học, robot công nghiệp, máy cắt laser, máy CNC chính xác, và các ứng dụng yêu cầu chuyển động tuyến tính có độ ổn định và độ cứng cao.
👉 Ưu điểm nổi bật:
-
Độ chính xác và ổn định cao, loại bỏ gần như hoàn toàn độ rơ.
-
Cơ cấu con lăn chữ thập giúp chịu tải đa hướng.
-
Ma sát nhỏ, chuyển động mượt mà và yên tĩnh.
-
Kết cấu vững chắc, tuổi thọ dài, dễ lắp đặt và bảo dưỡng.
-
Phù hợp cho các thiết bị quang học, cơ điện tử, và hệ thống tự động hóa cao cấp.