ĐẶC ĐIỂM CON TRƯỢT THK SHS
- Công dụng của con trượt vuông THK:
- Tiết kiệm một khoảng chi phí mà vẫn đảm bảo năng suất
- Giảm ma sát và tiếng ồn
- Tăng tuổi thọ cho máy móc
- Giữ lại hàm lượng chất bôi trơn lâu hơn giúp giảm thời gian bảo trì, giảm việc chết máy đột xuất và tăng cường hiệu suất trong trường hợp người vận hành quên bôi trơn cho thiêt bị trong khoảng thời gian quy định.
- Chịu được tải trọng cao

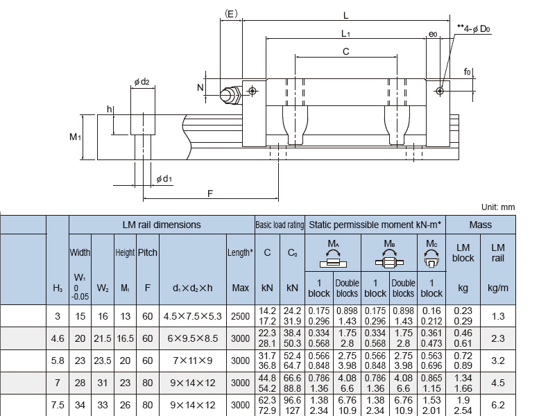
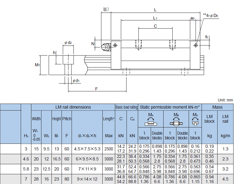
BẢNG THÔNG SỐ KỸ THUẬT CON TRƯỢT THK SHS

















