
GỐI ĐỠ VÒNG BI BẠC ĐẠN
Vòng bi, gối đỡ được ứng dụng rộng rãi trong việc sử dụng cho hệ thống băng tải trong các ngành sản xuất chế biến thực phẩm, thủy hải sản, sử dụng trong hồ bơi, trong môi trường có nước biển, hoặc sử dụng trong các thiết bị hạn chế nhiễm từ như máy chụp MRI của ngành y tế, hay trong ngành sản xuất các thiết bị bán dẫn.

ĐẶC TÍNH
- Chúng có khả năng chống lại các tác nhân gây phá hủy như nước trong hồ bơi, nước biển, nước chứa các tạp chất.
- Được sử dụng trong các máy móc đòi hỏi không có từ tính như máy chụp MRI trong y học vì chúng được làm bằng nhựa không nhiễm từ tính.
- Giảm tiếng ồn trong quá trình sử dụng và giảm được sự sốc lực so với vòng bi bằng thép
- Hạn chế ma sát và sự sinh nhiệt làm phá hủy vòng bi trong quá trình sử dụng.
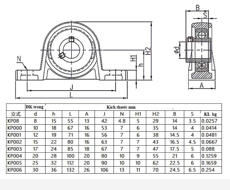
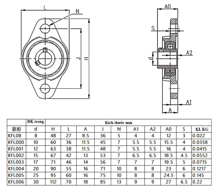
BẢNG THÔNG SỐ KỸ THUẬT



