

















Mô tả chi tiết
Bản lề phẳng cửa kho lạnh 1800 là loại bản lề inox cao cấp thiết kế dạng tấm phẳng, chuyên dùng cho các hệ thống cửa công nghiệp yêu cầu độ bền, độ kín và khả năng chịu nhiệt – chịu lạnh vượt trội. Với kết cấu tối ưu cho cửa dày, nặng và thường xuyên đóng mở, sản phẩm thích hợp cho cả môi trường âm sâu (kho lạnh, kho đông) và nhiệt độ cao (tủ hấp, lò nướng, máy sấy).
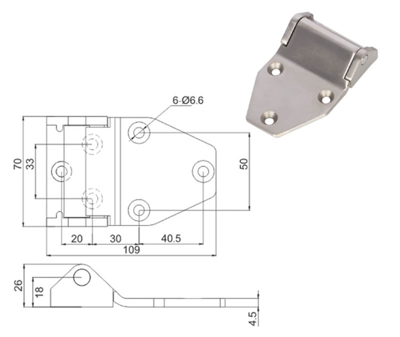
Cấu tạo
-
Sản xuất từ inox 304/201 hoặc thép không gỉ chịu lực.
-
Thiết kế dạng phẳng gồm 2 bản tấm dày, bản rộng, liên kết bằng chốt bản lề cứng.
-
Chốt xoay sử dụng thép tôi hoặc inox chịu lực, giúp vận hành trơn tru và bền bỉ.
-
Bề mặt được đánh bóng, xử lý chống ăn mòn hoặc mạ bảo vệ.
-
Cấu trúc tấm phẳng dễ bắt vít, lắp chuẩn cho cửa kho lạnh có lớp bảo ôn dày.
Chất liệu
-
Inox chống gỉ, phù hợp môi trường ẩm ướt, nhiệt độ dao động liên tục.
-
Chịu lạnh dưới 0°C và chịu nhiệt cao trong tủ hấp, lò nướng.
-
Chịu lực tốt, không cong vênh khi hoạt động lâu dài.
Ứng dụng
-
Cửa kho lạnh – kho đông, phòng giữ nhiệt.
-
Tủ hấp công nghiệp, lò nướng, buồng sấy, máy sấy công nghiệp.
-
Cửa khu chế biến thực phẩm, xưởng sản xuất cần độ kín cao.
-
Các hệ thống cửa yêu cầu độ bền và độ ổn định cao.
Mô tả hoạt động
-
Kết cấu phẳng giúp phân bổ lực đều, hạn chế xệ cửa sau thời gian sử dụng.
-
Chốt xoay chắc chắn, vận hành êm – ổn định.
-
Dễ lắp đặt trên bề mặt cửa phẳng, cửa dày, cửa kim loại hoặc cửa có lớp cách nhiệt PU.
-
Không bị kẹt, không tạo tiếng ồn khi đóng mở.
Ưu điểm
-
Chống gỉ tuyệt đối nhờ inox chất lượng cao.
-
Dạng phẳng dễ lắp, phù hợp nhiều loại cửa công nghiệp.
-
Chịu nhiệt – chịu lạnh tốt, bền trong môi trường khắc nghiệt.
-
Tải trọng lớn, đảm bảo độ kín và ổn định cho cửa.
-
Tuổi thọ dài, bảo trì đơn giản.